中古 クラウス・オフガス処理(SCOT)コンプリモB.V. 場所 ドイツ
中古
Doubleclick to zoom in
売り手に連絡
追加の写真や情報を依頼する
仕様
説明
完成品でも部品でも入手可能
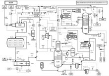
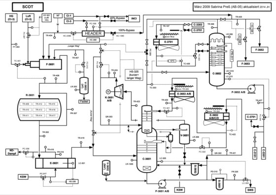
Hilco Industrialは、硫黄回収率を最大化し、厳しい排出基準を満たすために不可欠な高性能Comprimo B.V.テールガス処理ユニットを紹介します。テールガス処理ユニットのプロセス装置は、残留硫黄化合物を効率的に処理し、全体的な排出を大幅に削減するように設計されています。高度なClausテールガス処理技術を特徴とするこれらのユニットは、残存硫黄種を回収しやすい形態に最適に変換します。
最近閉鎖された製油所から調達された当社の装置は、テールガス処理の革新における最新技術を提供し、優れた効率と信頼性を提供します。触媒反応器から特殊な吸収器まで、当社の包括的なソリューションは、テールガス処理のあらゆる側面をカバーしています。
お客様の既存の硫黄回収システムとシームレスに統合する、メンテナンスが行き届き、すぐに設置可能なテールガス処理装置をお届けするHilco Industrialにお任せください。
販売者レビュー
この機械に関心がありますか?
この売り手は過去1週間に8回問い合わせを受けています。


























