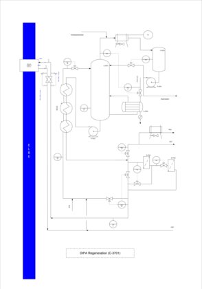
中古 ジイソプロパノールアミン(DIPA)再生コンプリモB.V. 場所 ドイツ
中古
Doubleclick to zoom in
売り手に連絡
追加の写真や情報を依頼する
仕様
説明
入手可能 完全品または部分品!!!
クラウスユニットでのさらなる処理のためのDIPAの再生およびH2Sの除去。
製造年 1983
シェル社によるプロセス設計
Comprimo B.V.によるプロセスエンジニアリング
スループット DIPA 再生 max. 1112 t/d (DIPA with 2,79m% H2S 負荷)
運転時の作動温度 = 102 to 106°C (max. 160°C)
運転時の作動圧力 = 0,5 to 0,8 bar (max. 6,0 bar)
2015 – 主球柱でのComplete CUI Program (新コーティングと断熱)
2022 – 退役
部品リストはInquiry経由で入手可能
ご要望をお送りください
販売者レビュー
この機械に関心がありますか?
この売り手は過去1週間に7回問い合わせを受けています。


























