中古 潤滑油水素化分解装置2 (LHT-2) Edeleanu GmbH 場所 ドイツ
中古
Doubleclick to zoom in
売り手に連絡
追加の写真や情報を依頼する
仕様
説明
完全に入手可能 または 部分的に!!!
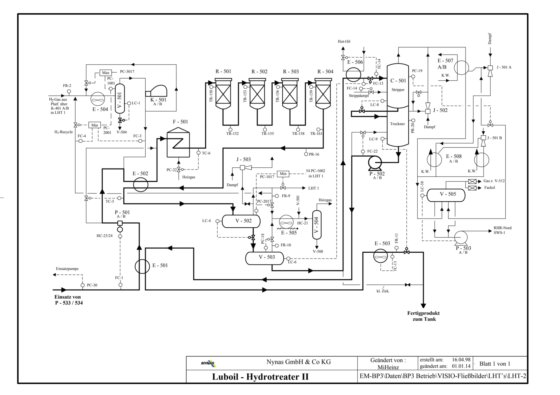
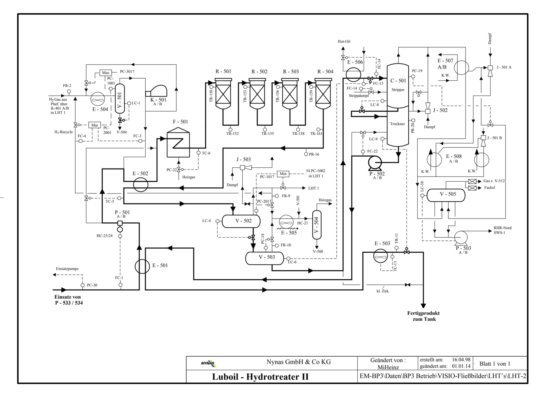
Edeleanu GmbH ガス油水素化処理装置で製油所の能力を強化します。石油精製所装置の水素処理ユニットは Nynas GmbH から調達され、石油分画から不純物を除去する際に優れた性能を発揮します。
この良好に維持されたデシル化水素化処理装置は、先進的な触媒系と効率的な反応器設計を取り入れており、硫黄、窒素、その他の汚染物質の最適な除去を保証します。よりクリーンな燃料の生産と厳しい環境規制の遵守に最適で、ガス油水素化処理装置はさまざまな原料の処理に柔軟性を提供します。
工業機器の販売における Hilco の産業専門知識により、信頼性が高く高性能なユニットをスムーズに統合できることが保証されます。製油所を拡張する場合でも、既存システムをアップグレードする場合でも、デシル化水素化処理ユニットは、今日の厳しい市場で競争力を維持するために必要な技術を提供します。
販売者レビュー
この機械に関心がありますか?
この売り手は過去1週間に9回問い合わせを受けています。








