中古 ミュラーワインガルテン ストリップストレートマシン 場所 フロデンベルク, ノルトライン・ヴェストファーレン州, ドイツ
中古
Doubleclick to zoom in
売り手に連絡
追加の写真や情報を依頼する
仕様
- 状態
- 中古
- 在庫番号
- 1048-7-40263
- コントロールユニット
- その他 (SIEMENS S7)
- うんちんベース
- EXW 'as is where is'
- 納期
- 即時
- シート幅
- 2000mm
- 板厚
- 1.8mm
- 紐付き
- SIEMENS S7
- クランプ面(左・右)
- 2800mm
- クランプ面(前面・背面)
- 2800mm
- 床上高さ
- 375mm
- ラムフォース
- 800から
- ストローク
- 350mm
- 最大ストローク数
- 55 /min
- ラム調整
- 350mm
- シャットハイト(ストロークダウン、アジャストアップ)
- 1100mm
- 柱間距離
- 3100mm
- ぬきさしならぬ
- 1500mm
- シート幅最大
- 2000mm
- シート幅(最小)
- 400mm
- 最大コイル重量
- 30から
- 最大コイル径
- 2000mm
- コイル最小内径
- 610mm
- シート厚み最大
- 2mm
- シート厚(最小)
- 0.6mm
- レベラーロール数
- 13
- レベラーロールの直径
- 50mm
- フィーディングステップ max.
- 4000mm
- 主電源
- 400kVA
- カテゴリー
- 板金加工 場所 ドイツ
- サブカテゴリ―
- 金属加工
- サブカテゴリ― 2
- ストリップストレートマシン
- サブカテゴリ― 3
- 板金加工/シェール/曲げ加工
- リスティングID
- 61196688
説明
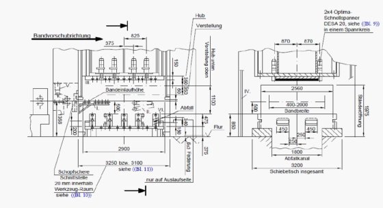
納入範囲/構成部品:
- クロップシャー付きコイルキャリア
- 片側脱コイラー
- 最大コイル幅2000mm、最大重量30トン
- 交換可能な矯正ユニット2基(カセットタイプ)、矯正ロール13本付き、
最大ブランク厚さ1.8mm、最大ブランク幅2000mm
- ループピット
- ロールフィーダー、ロール径220mm、送り長さ最大4000mm
- スキャナーによる油膜厚のモニタリング
- メカニカルブランキングプレス MUELLER WEINGARTEN VK 800.28.35 ( 1983)
* 最大ストローク55 ストローク/分
* テーブル寸法(クランプ面 2800 x 2800 mm
* 2 つの交換テーブル
350mmストローク
- FIRST NSM ブランク・ディスタッカー・ユニット(アンロード・ステーション2基付
- 最大ブランク寸法 4000 x 2000mm
- 搬送速度 30 - 150 m/分
- 最大梱包重量12000 kgs
- パケット高さ650 mm
(制御された金型によるサイドパネルの切り出しのためのこの部分の仕上げ)
- 第2NSMアンローディング・スタッキング・ユニット(フロースルー方向90°)-小型ブランクおよびフォームブランク用。
- 最大
















